Hybrid III 6 y/o Lab
BME254L - Spring 2026 - Palmeri
Tasks
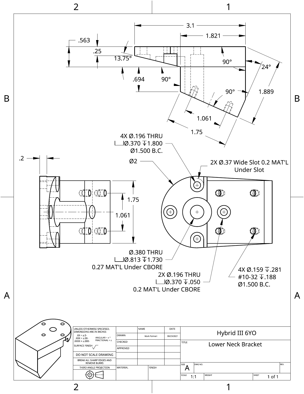
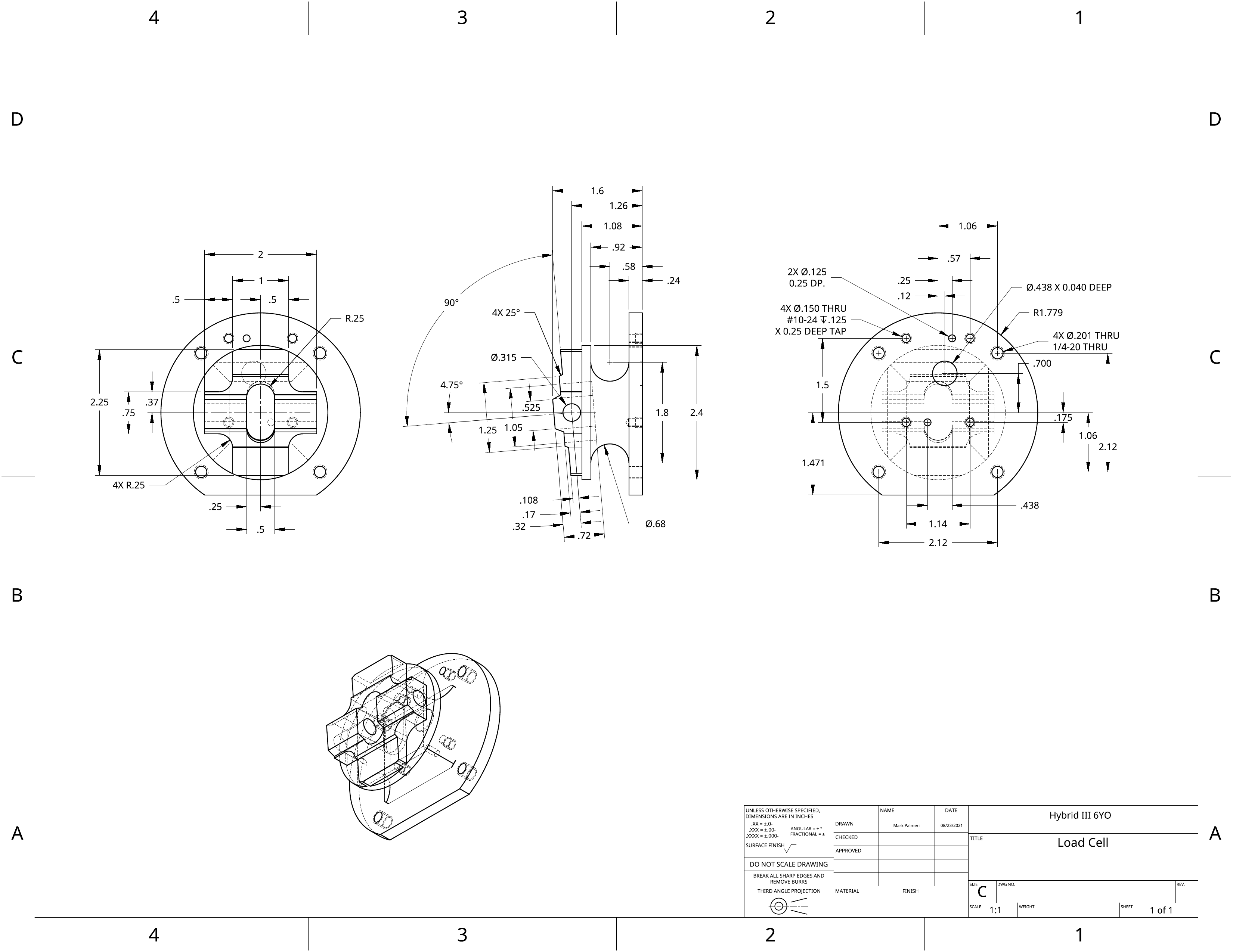
Create all of the parts for the Hybrid III 6yo test setup based on the attached drawings.
You should create all of these parts and their associated drawings and assemblies as part of the same “Document” and share that document with Dr. Palmeri and the TA(s).
Create the mechanical drawings associated with each of those parts (i.e., recreate the drawings that you are using to generate the parts) and the assembly.
Assemble your parts as guided by the assembly diagram and as shown in the uploaded animation.
There are online tutorials on Assemblies if you need some refreshers:
What to submit
Upload mechanical drawings and a screenshot of the part for all of your parts to the Hybrid III 6 y/o Gradescope assignment.
Bottom Plate

Top Plate

Nodding Plate

Molded Neck

Note that the this part has features that are dependent on the top and bottom plates. To reduce the overhead of manually entering these dimensions from the other parts, you can use the Derived tool in Onshape to bring in the relevant faces from the other parts.
https://cad.onshape.com/help/Content/derived.htm#StepsDesktop
Lower Neck Bracket

Load Cell

Assembly
